Osadnik DN150 C250 50x21x50[cm] osadnik betonowy wzmocniony / ruszt żeliwny
Wystaw opinię o produkcie
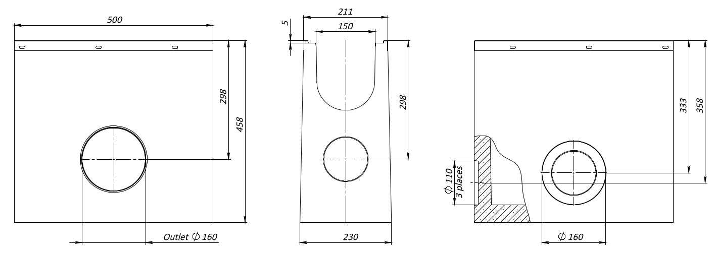
Studzienka Betonowa Wzmocniona z Osadnikiem Piasku 50x21x50[cm] z Żeliwnym Rusztem
System Betonowych Odwodnień Liniowych DN150
Oferta dotyczy jednej studzienki betonwej z wzmocnieniem krawędzi blachą ocynkowaną i rusztem żeliwnym. Do studzienki można podłączyć korytka (kanały) betonowe DN150. Odrowadzenie wody można wprowadzić z każdego boku. W zestawie sitko zbierające piasek.
Specyfikacja:
- Wysokość: 50 cm
- Szerokość: 21 cm
- Długość: 50 cm
Kod produktu: 9447
GEIS Przesyłka Paletowa (przedpłata) - 199,00 zł
GEIS Przesyłka Paletowa (pobranie) - 299,00 zł
Odbiór osobisty w Pabianicach - 0,00 zł
Opis
Studzienka Betonowa Wzmocniona z Osadnikiem Piasku 50x21x50[cm] z Żeliwnym Rusztem
System Betonowych Odwodnień Liniowych DN150
Oferta dotyczy jednej studzienki betonwej z wzmocnieniem krawędzi blachą ocynkowaną i rusztem żeliwnym. Do studzienki można podłączyć korytka (kanały) betonowe DN150. Odrowadzenie wody można wprowadzić z każdego boku. W zestawie sitko zbierające piasek.
Specyfikacja:
- Wysokość: 50 cm
- Szerokość: 21 cm
- Długość: 50 cm
Rdzawy nalot na żeliwnym ruszcie jest zjawiskiem naturalnym, nie jest wadą produktu i nie podlega reklamacji. Wszystkie elementy żeliwne można malować farbami do metalu.



Rysunek Techniczny:


Opis do grafiki:
- Zestaw mocujący
- Ruszt
- Koszyk plastikowy
- Studzienka systemowa z osadnikiem piasku
- Korytko
- Zaślepka
Opinie
Jeśli dodałeś/-aś recenzję, a nie pojawiłą się na liście, być może oczekuje na moderację.
Wystaw opinię o produkcie
Zapisz się do newslettera i bądź na bieżąco!
Podaj swój adres e-mail, jeżeli chcesz otrzymywać informacje o nowościach promocjach.